Get in touch now!         +86-15655577781      info@zfymachine.com
NEWS
Subscribe for more update

What is innovation in hydraulic systems of press brake?

Views: 1022     Author: Site Editor     Publish Time: 2020-12-30      Origin: Site

facebook sharing button
twitter sharing button
line sharing button
wechat sharing button
linkedin sharing button
pinterest sharing button
whatsapp sharing button
sharethis sharing button

Press Brake is a widely used bending machinery, which has long been realized hydraulically. Bending machine as an important equipment for sheet metal processing, playing its irreplaceable role, the quality of the product, processing efficiency, accuracy plays a decisive role.


图4

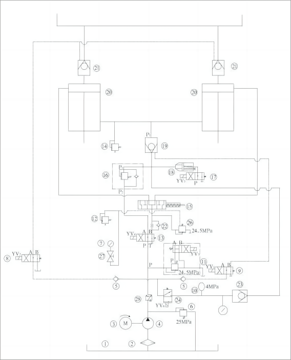
1. Oil pump start

The electric motor rotates in the direction marked by the pump arrow, i.e. clockwise, driving the axial piston pump to run, and the oil enters the valve plate and solenoid relief valve back to the tank through the pipeline, when the No.19 valve is closed, the oil in the lower cavity of No.20 cylinder keeps the slider stopped at the fixed position.


2. Downward movement

Rapid downward movement of the bending machine is generated by the self-weight of the bending machine beam and the accessories and the pressure of the oil. In this process, the hydraulic cylinder rodless cavity through the filling valve into the oil, rod cavity will produce back pressure, the oil flow back quickly. The fast forward motion starts from the upper dead center, and after a short deceleration stage, the ram slows down at a certain distance from the bending plate.

When No.9 YV1, No.24 YV6, No.13 YV4, No.17 YV5 solenoid works, the slider descends rapidly and the descending speed is adjusted by valve No.18. The oil from the lower chamber of No.20 cylinder enters the oil tank through No.19, No.18, No.17 and the oil from the upper chamber of No.20 cylinder is injected through valve No.21.

When the slider descends to the limit switch, No.9 YV1, No.8 YV2, No.11 YV3, No.13 YV4, No.24 YV6 solenoid works and the slider enters the working speed. If the slider is not synchronized, it will be automatically corrected by valve No. 15, and the descending position of the slider is limited by the mechanical stop in the cylinder.


3. Bending

The bending stage starts with the pressure building in the rodless chamber. The bending speed is limited by the oil supply from the oil pump on the one hand, and can be adjusted by the proportional valve directional valve on the other hand. At the same time, the directional valve also controls the synchronous operation of the bending beam and the positioning of the lower dead center. The bending force is limited by the proportional relief valve to limit the pump pressure. The corresponding speed, synchronization, positioning and pressure are given by the CNC.

YV3, No.13 YV4, No.24 YV6 solenoids work for the length of time to achieve the distance of the slider down, the speed of the slider down is adjusted by valve No.16, the slider up is controlled by No.11 YV3, No.24 YV6, and the same solenoid works for the length of time to achieve the distance of the slider up.


4. Decompression

The decompression of the rodless chamber starts when the lower dead center is reached, or after a short holding time, so that the material has sufficient time to be formed and the dimensional accuracy of the part is further improved. Both holding and decompression are performed by a proportional directional valve, as commanded by the CNC. In order to improve processing efficiency, the decompression time must be as short as possible, but in order to avoid unloading shocks in the whole system, it is required to extend the pressure relief time as long as possible. In short, the decompression curve should be as smooth as possible and not too steep. The optimization of the whole process is achieved by the proportional directional valve.


5. Master cylinder return stroke

The flow rate of the pump and the pressure-bearing area of the rod chamber of the hydraulic cylinder determine the maximum return speed, which in most cases is close to the fastest speed.

The return stroke also requires synchronized operation, starting from the rod chamber decompression and ending at the upper dead center.

In the instant of the return stroke, the No. 8 YV2 solenoid is required to reset for 2s to achieve pressure relief, followed by the No. 11 YV3 and No. 24 YV6 solenoids to work and the slider to return with a constant return speed.


6. Pressure adjustment of the machine

No. 6 high pressure relief valve, No. 11 solenoid relief valve is to ensure the rated force of the machine. No. 14 relief valve regulates the return force of the machine, so as not to damage the machine due to overload, and the working pressure in the hydraulic system can be read from the No. 7 pressure gauge. No. 10 accumulator filling pressure, mainly to manipulate the pressure required for No. 19 / No. 21 valve.



Innovation in hydraulic systems of press brake

Hydraulic system development at the same time, promote the rapid development of the machine tool industry, in order to adapt to the hydraulic system to high performance, high precision and automation direction development needs, CNC hydraulic technology, electro-hydraulic servo technology and other new hydraulic technology is also in rapid development.The hybrid ePrAX press drive newly developed by HOERBIGER revolutionizes conventional solutions for press brakes.

图5


图5


It is an electro hydraulic system that combines the advantages of both drive technologies: Unlike an electric drive, it is powerful and durable thanks to hydraulics, but owing to the compact closed design dispenses with oil lines, making it clean and leak-free to operate, because all the components, including the tank system, are compactly integrated into the ePrAX. The ePrAX translates the electrical input from the machine controller (CNC) into mechanical linear motion. To accomplish this, the machine controller communicates with the axis controller and subsequently with the motor controller. The synchronized actuators follow preselected profiles, consisting of a working motion or a rapid motion and working motion, using controlled tracing. The drive controls the position of the bending tool - and its force during stamping - with a speed variable motor-pump unit.


图6

Advantage

The ePrAX is an intelligent, integrated press drive with a piping-free, closed hydraulic system with innovative functional intelligence. The ePrAX offers customers the following benefits:

• Plug & Work - Reduced assembly and start-up times due to completely preassembled and tested actuator

• Fast - increased performance by up to 30% by reducing the cycle time (shorter ramp times)

• Precise - up to 5 pm positioning accuracy

• Up to 7,000 operating hours and after this significantly longer maintenance cycles as standard systems

• Higher energy efficiency compared to conventional electro-hydraulic and electromechanical solutions. Phenomenal reduced noise development in all operating modes

• Compared to conventional hydraulic drives: - higher stiffness and controllability due to internal initial pressure


Request A Quote

  High-tech Industrial Park Bowang District Ma'anshan, Anhui, China 

  +86-555-6761960
  +86-15655577781

Product Category

Upgrade Plan

Bending Angle Measurement

Newsletter

Join our newsletter and receive exclusive offers, updates, and ZFY news.

Leave a Message
Request A Quote

Copyright 2018  |  All Rights Reserved  |  ZFY  |  Sitemap.| Privacy Policy